Wyślij pytanie dotyczące produktu
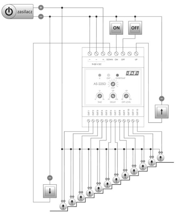
AS-225D Sterownik kaskadowy - schodowy 9-30V F&F / 12-kanałowy sterownik schodowy i kaskadowy
zasilanie: 9÷30 V,
max obciążenie (1 kanał): 4 A.
Przeznaczenie: Budowa wielopunktowego systemu sterowania oświetlenia schodów z efektem fali świetlnej ( funkcja załączania sekwencyjnego KASKADA).
Przeznaczenie sterownika schodowego fali świetlnej AS-225D
Z pomocą sterownika AS-225D możemy sterować kaskadowym oświetleniem schodowym 12÷24 V. Uzyskamy w ten sposób efekt światła, które podąża za nami, gdy idziemy po schodach.
Funkcje sterownika oświetlenia schodowego AS-225D
Sterowanie kaskadowym, wielopunktowym systemem oświetlenia;
Możliwość ustawienia liczby sterowanych punktów świetlnych (od 3 do 12);
Możliwość szeregowego łączenia sterowników w celu zwiększenia liczby sterowanych obwodów;
Dodatkowe wejścia sterujące:
trwałe załączenie światła (np. na czas sprzątania);
blokada załączenia światła (np. sygnał z czujnika jasności);
Sterowanie światłem przy pomocy różnorodnych zadajników, między innymi z przycisków dzwonkowych, czujników ruchu ( np. laserowy czujnik odległości DRL-12, DRL-60), barier optycznych, czujników nacisku, itp.
Ustawiana funkcja „miękki start” – łagodne rozjaśnianie i ściemnianie oświetlenia;
Funkcja „nocna lampka” – możliwość ustawienia poziomu jasności w stanie wyłączonym. Dzięki temu schody nie będą nigdy całkowicie zaciemnione;
Montaż sterownika na szynie DIN;
Wbudowane zabezpieczenie termiczne.
Napięcie zasilania 9÷30 V DC
Liczba kanałów 12
Maksymalny prąd obciążenia AC-1 4 A |(1 kanał)
Maksymalne sumaryczne obciążenie (12 kanałów) 24 A
Maksymalne napięcie 30 V DC
Czas załączenia (1 kanał) 3÷30 s
Opóźnienie załączenia kolejnego kanału 0÷czas załączenia
Element wykonawczy tranzystor
Napięcie wyjścia 9÷30 V DC
Współpraca z przyciskami podświetlanymi NIE
Przyłącze zaciski śrubowe 2,5 mm²
Moment dokręcający 0,4 Nm
Pobór mocy czuwanie/praca 1 W / 4 W
Temperatura pracy -15 ÷ 50°C
Wymiary 4 moduły (52,5 mm)
Montaż na szynie 35 mm
Stopień ochrony IP20
Strona korzysta z plików cookie w celu realizacji usług zgodnie z Polityką prywatności.
Możesz określić warunki przechowywania lub dostępu do cookie w Twojej przeglądarce.
W tym miejscu możesz wgrać własny plik CSV i masowo dodać produkty do koszyka. Poprawny plik (pobierz plik wzorcowy) powinien składać się z następujących danych:
Plik można edytować za pomocą darmowego programu LibreOffice. Plik musi być kodowany w UTF-8.
Wczytanie pliku spowoduje dodanie produktów do koszyka.