Wyślij pytanie dotyczące produktu
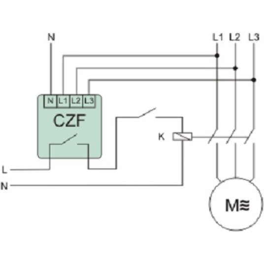
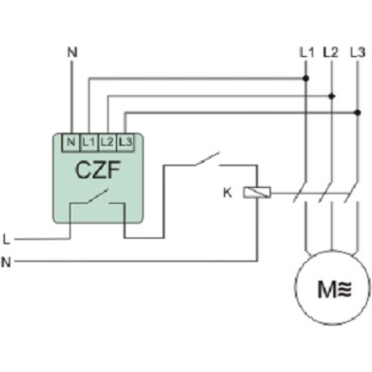
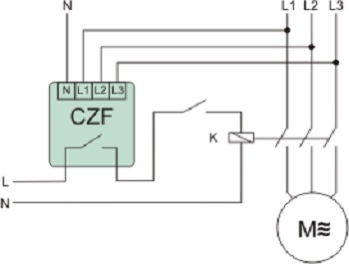
Czujnik zaniku faz CZF do przykręcenia F&F
Ze stałym progiem asymetrii napięciowej zadziałania. Styk 1NO
Czujnik zaniku fazy przeznaczony jest do zabezpieczenia silnika elektrycznego zasilanego z sieci trójfazowej w przypadkach zaniku napięcia w co najmniej jednej fazie lub asymetrii napięć między fazami, grożącymi zniszczeniem silnika.
Działanie czujnika zaniku fazy CZF
Zanik napięcia w co najmniej jednej, dowolnej fazie lub asymetria napięciowa między fazami powyżej progu zadziałania spowoduje wyłączenie silnika. Wyłączenie nastąpi z opóźnieniem 4 s, co zapobiega przypadkowemu odłączeniu silnika przy chwilowym spadku napięcia. Ponowne załączenie nastąpi automatycznie przy wzroście napięcia o 5 V powyżej napięcia zadziałania (tj. o wartość histerezy napięciowej). Przy powyższych anomaliach styk przekaźnika jest rozłączony i uruchomienie silnika jest niemożliwe.
Strona korzysta z plików cookie w celu realizacji usług zgodnie z Polityką prywatności.
Możesz określić warunki przechowywania lub dostępu do cookie w Twojej przeglądarce.
W tym miejscu możesz wgrać własny plik CSV i masowo dodać produkty do koszyka. Poprawny plik (pobierz plik wzorcowy) powinien składać się z następujących danych:
Plik można edytować za pomocą darmowego programu LibreOffice. Plik musi być kodowany w UTF-8.
Wczytanie pliku spowoduje dodanie produktów do koszyka.